تصنيف المنتجات
سلسلة EF13 - عجلات نايلون متقدمة بمحمل مزدوج وفرامل أحادية، ذات مركز ثقل منخفض وتصميم نايلوني فاخر مقاس 2 بوصة
- إسم المنتج: سلسلة EF13 - عجلات نايلون متقدمة بمحمل مزدوج وفرامل أحادية، ذات مركز ثقل منخفض وتصميم نايلوني فاخر مقاس 2 بوصة
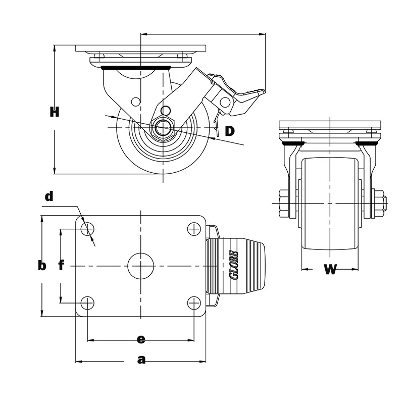
- قطر العجلة: 50mm
- طريقة التثبيت: 平底活动
- طريقة الكبح: 尼龙单刹
- مادة عجلة واحدة: 尼龙
- عرض العجلة:
- تحمل: 滚珠
- المعالجة السطحية للقوس: 发黑
الميزات:
أرضية غير مستوية أو أرضية تحتوي على الكثير من المواد مثل رقائق الحديد
وصف المنتج
| الوحدة | مم / كجم | كادرودينغ |
| رقم العجلات | EF13-18-050SD-102 | ![]() |
| قطر عجلة العجلات (D) | 50 mm | |
| عرض عجلة الكرسي (W) | 41 mm | |
| عجلات التحميل | 350 kg | |
| مواد العجلات الدوارة | نايلون متطور | |
| محامل عجلات السحب | الكرة الكروية | |
| ارتفاع تركيب العجلات (H) | 78 mm | |
| نصف قطر دوران الفرامل الأحادية للعجلات (R) | 89 mm | |
| مواصفات لوحة قاعدة العجلات (a×b) | 94×67 مم | |
| مسافة فتحات العجلات (e×f) | 73×45 مم | |
| قطر فتحة العجلة (d) | 9 mm | |
| الوزن الصافي للعجلات | 0.67 كجم | |
| الكمية في كل صندوق | 55 حيوانًا |
يرجى اختيار المواد المناسبة للحصول على المشورة وفقا للبيئة الأرضية أو الاتصال بنا
| المواد الجودة العرض | ![]() |
![]() |
![]() |
![]() |
![]() |
![]() |
![]() |
| الاسم | النايلون | بولي يوريثان فائق | بولي يوريثان عالي القوة | صمغ اصطناعي عالي الكثافة | الحديد والصلب | عجلة مقاومة للحرارة | المطاط |
| الحمولة (كجم) | 10 إلى 2000 | 10 إلى 1500 | 10 إلى 1500 | 10-310 | 10 إلى 2000 | 40 إلى 600 | 40 إلى 400 |
| درجة الحرارة المناسبة (℃) | -45 إلى 130 | -45 إلى 90 | -45 إلى 90 | -45 إلى 60 | -45 إلى 500 | -35 إلى 230 | -45 إلى 90 |
| صلابة العجلات | - | 95(±5)أ | 95(±5)أ | 70 (±5) أ | - | - | 70 (±5) أ |
| مرونة الحركة | يو ■■■■■ | يو ■■■■■ | يو ■■■■■ | يو ■■■■■ | يو ■■■■■ | يو ■■■■■ | يو ■■■■■ |
| الدوران الهادئ | عام ■■■□□ | يو ■■■■■ | يو ■■■■■ | يو ■■■■■ | مختلف ■■□□□ | جيد ■■■■□ | يو ■■■■■ |
| حماية الأرضية | عام ■■■□□ | يو ■■■■■ | يو ■■■■■ | يو ■■■■■ | مختلف ■■□□□ | جيد ■■■■□ | عام ■■■□□ |
| بدون آثار عجلات | لا شيء | لا شيء | لا شيء | لا شيء | لا شيء | لا شيء | لا شيء |
| مقاوم للصدمات | يو ■■■■■ | يو ■■■■■ | يو ■■■■■ | يو ■■■■■ | جيد ■■■■□ | يو ■■■■■ | يو ■■■■■ |
| مقاوم للتآكل | يو ■■■■■ | يو ■■■■■ | يو ■■■■■ | يو ■■■■■ | يو ■■■■■ | يو ■■■■■ | يو ■■■■■ |
| أداء مقاومة الماء | يو ■■■■■ | يو ■■■■■ | يو ■■■■■ | يو ■■■■■ | مختلف ■■□□□ | يو ■■■■■ | يو ■■■■■ |
| أداء مقاومة الكيميائيات | يو ■■■■■ | يو ■■■■■ | يو ■■■■■ | يو ■■■■■ | جيد ■■■■□ | يو ■■■■■ | مختلف ■■□□□ |
| يوصى باستخدام الأرضية | الأرضية غير المستوية أو التي تحتوي على الكثير من المواد مثل رقائق الحديد | الأرضية غير المستوية أو التي تحتوي على الكثير من المواد مثل رقائق الحديد |
الأرضية الداخلية والخارجية مسطحة وقابلة للاستخدام في النقل. الطلب |
تُطلب أرضيات ذات مستوى ضوضاء منخفض في الفنادق، والأجهزة الطبية، والطوابق، وألواح الأرضية الخشبية، والبلاط، وغيرها. | الأرضية غير المستوية أو التي تحتوي على الكثير من المواد مثل رقائق الحديد | الاستخدام في بيئات درجات الحرارة العالية | تُطلب أرضيات ذات مستوى ضوضاء منخفض في الفنادق، والأجهزة الطبية، والطوابق، وألواح الأرضية الخشبية، والبلاط، وغيرها. |
الكلمات الرئيسية:
سلسلة EF13 - عجلات نايلون متقدمة بمحمل مزدوج وفرامل أحادية، ذات مركز ثقل منخفض وتصميم نايلوني فاخر مقاس 2 بوصة
استفسار المنتج
ملاحظة: يرجى ترك عنوان البريد الإلكتروني الخاص بك ، وسوف يتصل بنا خبرائنا في أقرب وقت ممكن!
منتجات أخرى







